中文
English
登录账号
首页
关于我们
公司简介
荣誉证书
发展历程
新闻资讯
通知公告
企业新闻
行业新闻
媒体关注
服务与支持
技术优势
产品优势
产能优势
服务优势
经建学院
招贤纳士
岗位发布
人才培养
联系我们
中文
English
登录账号
通知公告
企业新闻
行业新闻
媒体关注
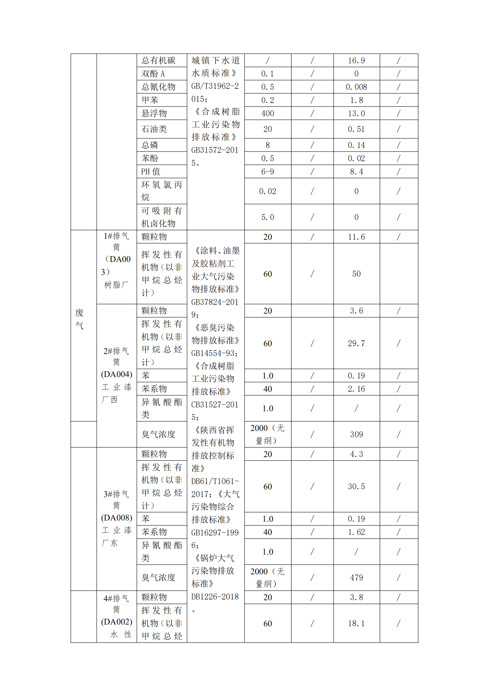
陕西宝塔山新材料科技有限公司关于开展清洁生产审核工作的公示
时间:2024-09-10 作者:经建油漆 浏览次数:
已经是第一条了
关于公司名称和法定代表人变更的公告
关于我们
公司简介
荣誉证书
发展历程
新闻资讯
通知公告
企业新闻
行业新闻
媒体关注
服务与支持
技术优势
产品优势
产能优势
服务优势
经建学院
公司地址:
陕西省渭南市蒲城县煤化工园区工业大道
服务电话:
400-6698-777
公司邮箱:
shichangbu@btsyq.com
官网网址:
http://www.xajjpt.com/
公司地址:
陕西省渭南市蒲城县煤化工园区工业大道
服务电话:
400-6698-777
公司邮箱:
shichangbu@btsyq.com
官网网址:
http://www.xajjpt.com/
陕公网安备 61052602000103号
登录
用户名
密码
验证码
取消